Kits and Eval Boards Help Speed Accelerometer Apps
Contributed By Electronic Products
2011-12-15
An accelerometer is an electromechanical device used to measure change in velocity over time, and the measurement is used as input to control systems or correct for dynamic conditions. Accelerometers sense orientation, vibration, and shock, and are also used in fall detection. While there are several types of accelerometer sensors, the most commonly used include:
- Capacitive
- Hall effect
- Heat transfer
- Magnetoresistive
- Piezoelectric
- Piezoresistive
With the advent of microelectromechanical systems (MEMS) accelerometer sensors, applications have mushroomed in such industries as aerospace, automotive, and home entertainment. In automotive applications, for example, they can be found in rollover bar deployment mechanisms, and airbag technology, while in home entertainment, they’re housed in game controllers and cell phones.
But whether the design at hand involves a video game or a more serious life-saving free fall detection application, the most difficult aspects of starting a new project can be made easier by having help in the form of tools, kits, and evaluation boards at our disposal.
Let’s look at some notable boards and kits specifically aimed at accelerometer apps.
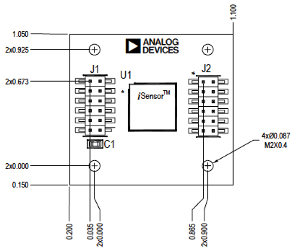
Analog Devices’ ADIS16201/PCBZ is a simple evaluation board that provides access to the ADIS16201 accelerometer. Part of the ADIS1620x family of eval boards it uses a standard 2-mm, 2-Å~ 6, connector interface. The PCB can be evaluated using such digital platforms as MCU, DSP, FPGA, or PLD (Figure 1).

Figure 1: Mechanical drawing of the ADIS1620x/PCB.
The ADIS16201 is a complete dual-axis acceleration and inclination angle measurement system in a single compact package. In this case, the iMEMS sensor technology is enhanced with an embedded signal processing solution. It provides factory-calibrated and tunable digital sensor data, which can be accessed using a serial peripheral interface (SPI). Applications include platform control, stabilization, and leveling; tilt sensing, inclinometers; motion/position measurement; and monitor/alarm devices for security, medical and safety devices.
Freescale’s MAG3110 is a small, low-power, digital 3-axis magnetometer used in conjunction with a 3-axis accelerometer to produce orientation independent compass heading information (Figure 2). Used in smartphones, tablets, and any portable devices requiring an electronic compass, the device features a 2 x 2-mm package, power as low as 24 μA, 1.95 V to 3.6 V operation, and an operating temperature range of -40° to 85°C.

The Freescale LFSTBEB3110-ND, an evaluation board for the Freescale MAG3110 3-axis magnetometer, enables designers to experience the family’s low-power device, capable of measuring magnetic fields with an output data rate (ODR) up to 80 Hz. The kit includes a daughter board to allow for system calibration and for demonstrating eCompass capability.
For engineers that want a complete system, the development kit RD4247MAG3110 provides hardware and software for demonstrating the capability of the MAG3110 3-axis digital magnetometer in an eCompass application. The kit includes a USB-interface board and USB cable for connecting the evaluation board to a PC’s USB port. Also included are a MAG3110 magnetometer, the MMA8451Q accelerometer plus a Quick Start Guide
Targeting such applications as virtual reality, augmented reality, image stabilization, human machine interfaces, and robotics, the STMicroelectronics STEVAL-MK1062V2 evaluation board (Figure 3) combines accelerometers, gyroscopes, and magnetometers with pressure and temperature sensors to provide three-axis sensing of linear, angular, and magnetic motion. This is based on the ST 10-DOF platform. The inertial system represents a complete hardware platform and communication interfaces with various power supply options in a small form factor (4 x 4 cm).

This demonstration kit includes a PC GUI for sensor output display and a firmware library to facilitate the use of the demonstration board features.
Gaming, perhaps a perfect application for accelerometers, is the focus of a prototyping board for VTI’s CMA3000-D01, a three-axis ultra-low-power accelerometer (Figure 4) with digital SPI and I2C interface. Ideal for use in battery operated applications in addition to gaming input devices, the part also is well-suited for computer peripherals, free-fall detection, and activity monitoring. Designers can evaluate such features as ultra-low-current consumption, interrupt signal triggered by free fall and motion, proven capacitive 3D-MEMS technology, and high shock durability.

In addition to the low-power accelerometer, VTI’s automotive accelerometer platform is the subject of an on-demand product training module covering the SCA810/SCA830 Single-Axis Y and Single Axis Z SCA 820 devices (SCA 820 eval board) and Multi-Axis XYZ SCA 2100/SCA3100 devices (SCA 2100 eval board, SCA 3100 eval kit and demo board). In this case, the target automotive applications include electronic stability control (ESC), hill start assistant (HAS), electronic parking brake (EPB), rollover detection, and electrically controlled suspension systems.

Figure 5: Training module slide.
Easy-to-follow slides deliver valuable information. In Figure 5, for example, with a focus on Self Test Static (STS) – Multi Axis, it is possible to see that during application start up or when the accelerometer is affected by gravity, sensing element anomalies are detectable by applying a startup self-test. In this case, a digitally calculated resultant acceleration of x, y, and z-axes is compared to predefined threshold value. The test is started by a CTRL-register command, and it is done once when requested.
From evaluation boards through training modules, accelerometers, while simple in concept are easier to implement with hands-on experience. Given the available interfaces, software tools, cables, adapters, and support, it’s foolish to go it alone. Fortunately, a wealth of help is now available.
Disclaimer: The opinions, beliefs, and viewpoints expressed by the various authors and/or forum participants on this website do not necessarily reflect the opinions, beliefs, and viewpoints of DigiKey or official policies of DigiKey.

